Une équipe de chercheurs de la Vanderbilt University vient d’identifier certains hydrates de carbone du lait humain qui non seulement ont des propriétés antibactériennes mais améliorent aussi l'efficacité des protéines antibactériennes présentes déjà connues.
Les chercheurs ont recueilli des glucides du lait humain, ou oligosaccharides, à partir d'un certain nombre d'échantillons de donneuses différentes et les ont tracés avec une technique de spectrométrie de masse. Ensuite, ils ont ajouté les composés à des cultures bactériennes et ont observé le résultat au microscope. Ils ont alors constaté que non seulement certains de ces oligosaccharides tuent les bactéries immédiatement mais que certains décomposent physiquement les biofilms formés par les bactéries pour se protéger.
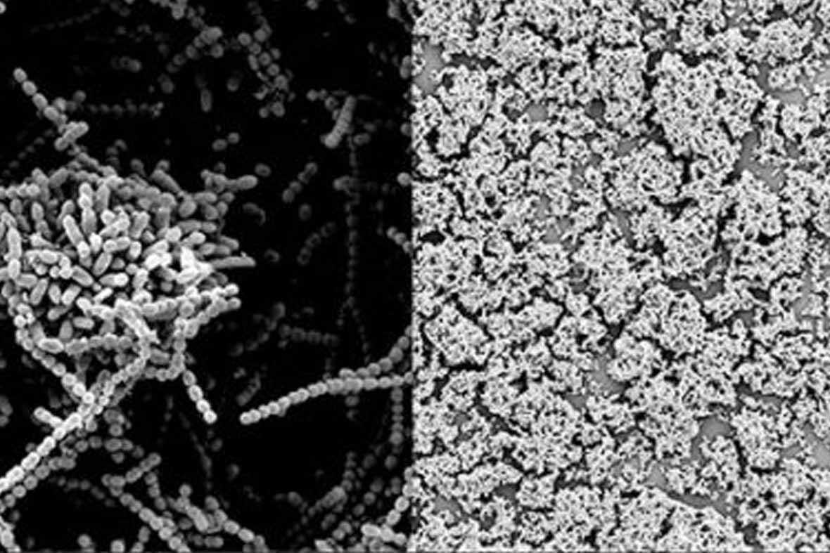
La photo ci-dessus montre à gauche comment les Streptocoques s'agglomèrent normalement pour former un biofilm protecteur, et comment ce biofilm se désagrège lorsqu'on ajoute à la culture des oligosaccharides du lait humain, ce qui facilite la destruction des bactéries par les agents antibactériens.
Et selon Steven Townsend, l’auteur principal de l’étude, ces composants ont « un avantage remarquable : ils sont clairement non toxiques, contrairement à la plupart des antibiotiques ». Et ils pourraient permettre de résoudre le problème des bactéries devenues résistantes aux antibiotiques.







Pour poser une question, n'utilisez pas l'espace "Commentaires" ci-dessous, envoyez un mail à la boîte contact. Merci